Газовий котел Vaillant atmoTEC plus VU 240/5-5
Vaillant atmoTEC plus VU 240/5-5 – одноконтурний газовий котел атмосферний, що вимагає наявності обладнаного димоходу для видалення продуктів згоряння, призначений для опалення. Опалює житлові приміщення площею до 240 м2. Сумісний із зовнішнім бойлером непрямого нагріву.
Працює на природному газі. На скрапленому газі потребує переналаштування.
Особливості газового котла Vaillant atmoTEC plus VU 240/5-5
- Сучасний настінний газовий котел з атмосферним пальником і природною витяжкою продуктів згоряння через димохід.
- Відкидна кришка, що приховує панель керування, виконує функції захисту, естетики, зручності використання та безпеки під час експлуатації котла.
- Пальник із жаростійкої сталі з модульованою атмосферною подачею газу забезпечує плавне автоматичне регулювання потужності в діапазоні 32-100% номіналу для точного підтримання заданого температурного режиму та економії палива.
- Компактний ергономічний дизайн із горизонтальним компонуванням патрубків для простого монтажу. Габарити сумісні з попередніми версіями для заміни без переробок.
- Первинний теплообмінник із довговічної мідної трубки.
- Мале енергоспоживання завдяки застосуванню сучасного високоефективного циркуляційного насоса з регулюванням частоти обертання.
- Гідравлічні компоненти з високоміцної корозійностійкої бронзи для тривалого безвідмовного терміну служби.
- Сучасна панель керування з простим інтуїтивним поворотно-натискним інтерфейсом для зручного налаштування температурних режимів.
- Вбудована система діагностики дає змогу відстежувати поточний стан котла і всі параметри його роботи. У разі виникнення збоїв або несправностей на дисплеї відображаються відповідні коди помилок для швидкого виявлення причини та усунення проблеми.
- Низький рівень шуму завдяки хорошій звукоізоляції корпусу та плавній модуляції пальника.
- Можливість спільної роботи з сонячними колекторами і панелями, а також з тепловими насосами.
- Стандартна комплектація: розширювальний мембранний бак, автоповітровідвідник, регульований байпас, запобіжний клапан.
- Оснащений вбудованою шиною eBUS для інтеграції в систему "розумного будинку" і дистанційного контролю / управління котлом через модуль sensoNet.

|
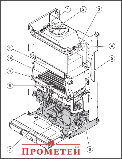
1. Зовнішній датчик відпрацьованих газів (функція захисту) |
7. Блок електроніки / Розподільча коробка |
|
2. Внутрішній датчик відпрацьованих газів (функція захисту) |
8. Електрод розпалювання |
|
3. Реле температури відпрацьованих газів з захисною функцією (тільки прилади на 28 кВт) |
9. Контрольний електрод |
|
4. Реле температури відпрацьованих газів з захисною функцією (окрім приладів на 28 кВт) |
10. Пальник |
|
5. Мембранний розширювальний бак |
11. Первинний теплообмінник |
|
6. Гідравлічний блок |
|
Комплект поставки
- Котел.
- Монтажне приладдя.
- Керівництво з монтажу та технічного обслуговування.
Характеристики
Відгуків про цей товар ще не було.
Немає відгуків про цей товар, станьте першим, залиште свій відгук.
Немає питань про даний товар, станьте першим і задайте своє питання.