Конденсаційний котел Vaillant ecoTEC plus VUW 26CS/1-5 (N-INT2)
Vaillant ecoTEC plus VUW 26CS/1-5 (N-INT2) – двоконтурний конденсаційний газовий котел нового покоління з широкою модуляцією потужності, працює на опалення та приготування гарячої води. Опалює житлові приміщення площею до 200 м2.
Працює на природному газі. На зрідженому газі потребує переналаштування.
Особливості котла Vaillant ecoTEC plus VUW 26CS/1-5 (N-INT2)
- Максимальна ефективність згоряння газу і конденсація продуктів згоряння досягається завдяки інноваційній системі IoniDetect, яка динамічно регулює співвідношення газ-повітря відповідно до якості використовуваного газу.
- Найширший діапазон регулювання потужності від 12% до 100% номінальної дає змогу з високою точністю підтримувати задану температуру теплоносія й заощаджувати паливо.
- Високоефективний вбудований конденсаційний теплообмінник, виготовлений із корозійностійкої неіржавкої сталі, забезпечує максимальне вилучення тепла з димових газів, що йдуть.
- Прискорений нагрів системи опалення після включення за допомогою функції "Гарячого старту" (особливо ефективна для низькотемпературних режимів).
- Просунута електронна шина LIN bus здійснює збір великого масиву даних про роботу котла для подальшої діагностики, моніторингу та автоматичної оптимізації налаштувань.
- Система контролю гідравлічного опору опалювального контуру дає змогу оптимізувати роботу циркуляційного насоса без використання байпаса, знижуючи гучність і заощаджуючи електроенергію.
- Автоматична підживлювальна система з контролем тиску теплоносія в контурі опалення підвищує безпеку і комфорт під час експлуатації котла.
- Інтуїтивно зрозумілий інтерфейс з повнофункціональним текстовим дисплеєм, сенсорним екраном і підсвічуванням, а також вбудованим майстром швидкого налаштування.
- Широкі можливості керування котлом, включно з погодозалежним регулюванням, програмуванням температурних графіків і часових режимів.
- Низький рівень шуму завдяки плавному регулюванню потужності та високоякісній шумоізоляції корпусу.
- Опціональна можливість віддаленого управління, моніторингу та діагностики через інтернет за допомогою підключення додаткового модуля sensoNET.

|
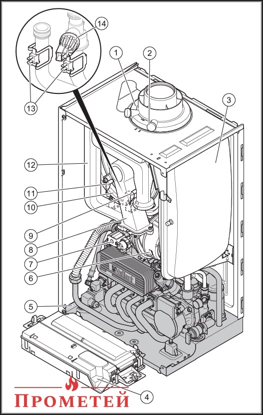
1. Система забору повітря і видалення димових газів |
8. Компактний термомодуль |
|
2. Вимірювальний патрубок відпрацьованих газів |
9. Керуючий електрод |
|
3. Розширювальний бак |
10. Теплообмінник |
|
4. Розподільча коробка |
11. Електрод розпалювання |
|
5. Гідравлічний блок |
12. Повітрозабірна труба |
|
6. Вентилятор |
13. Датчик температури |
|
7. Газова арматура |
14. Датчик тиску води |
Комплектація
- Котел.
- Монтажне приладдя.
- Шланг конденсату з вентиляційним отвором.
- Посібник з монтажу та технічного обслуговування.
Поширені запитання
-
Скільки можна зекономити на газі з конденсаційним котлом?
-
При якій температурі теплоносія конденсаційний котел працює найефективніше?
-
Які особливі вимоги до встановлення конденсаційного котла?
-
Чи підходить конденсаційний котел для старих радіаторних систем опалення?
-
Чи потрібно спеціальне обслуговування конденсаційного котла?
Характеристики
Відгуків про цей товар ще не було.
Немає відгуків про цей товар, станьте першим, залиште свій відгук.
Немає питань про даний товар, станьте першим і задайте своє питання.