Конденсационный котел Ariston CARES S SYSTEM 24
Ariston CARES S SYSTEM 24 – одноконтурный конденсационный котел с КПД до 105%. Предназначен для отопления помещений площадью от 50 до 240 м2, может быть подключен к внешнему бойлеру для горячего водоснабжения.
В качестве топлива использует природный и сжиженный газ.
Особенности котла Ariston CARES S SYSTEM 24
Котел оснащен спиральным нержавеющим теплообменником в контуре отопления.
Топка котла закрытого типа. Подачу воздуха и отвод дыма обеспечивает вентилятор.
Мощность регулируется в широком диапазоне. Коэффициент модуляции составляет 1:5, что позволяет адаптировать производительность котла к потребностям любой отопительной системы.
Комплектуется циркуляционным насосом с автоматическим переключением скоростей и воздухоотводчиком, трехходовым клапаном, расширительным баком на 8 л.
Модель CARES S SYSTEM оснащена ЖК-дисплеем с силиконовыми кнопками, фронтальной панелью из листового металла. Реализована защита от замерзания, блокировки насоса и отсутствия тяги.
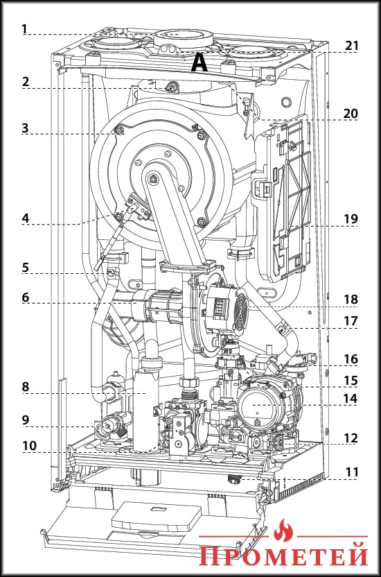
Схема конденсационного котла Ariston CARES S SYSTEM

|
1. Патрубок выхода продуктов сгорания |
12. Фильтр контура отопления |
|
2. Дымовой зонд |
14. Циркуляционный насос |
|
3. Первичный теплообменник |
15. Привод трехходового клапана |
|
4. Электрод контроля пламени/розжига |
16. Реле давления |
|
5. Датчик температуры в подающей линии |
17. Датчик температуры в обратной линии |
|
6. Глушитель шума |
18. Модулированный вентилятор |
|
8. Сифон |
19. Основная доска |
|
9. Предохранительный клапан контура отопления |
20. Термостат перегрева первичного теплообменника |
|
10. Газовый клапан |
21. Штуцер анализа продуктов сгорания |
|
11. Кран подпитки |
|
Комплект поставки
- Котел.
- Инструкция по установке и эксплуатации.
Частые вопросы
-
Сколько можно сэкономить на газе с конденсационным котлом?
-
При какой температуре теплоносителя конденсационный котел работает наиболее эффективно?
-
Какие особые требования к установке конденсационного котла?
-
Подходит ли конденсационный котел для старых радиаторных систем отопления?
-
Требуется ли специальное обслуживание конденсационного котла?
Характеристики
Максимально бесшумный - только если специально прислушиваться можно услышать момент запала огня.
Управление тоже простое и понятное. Греет быстро. Что еще сказать не знаю - просто включил и забыл.
Всё на высшем уровне
Нет
Для меня точно самый лучший вариант, потому что недорого и идеально работает с теплым полом (у меня весь дом только теплые полы).
Рекомендую
По всему дому теплые полы, поэтому низкотемпературный котел то, что нужно.
Работает уже месяца 3, работает негромко, мы его не замечаем.
Спасибо за трубу в подарок и бесплатную доставку!
Вітаю!
Конденсаційний котел Ariston CARES S SYSTEM 24
(одноконтурний)
Я так зрозумів в ньому є триходовий клапан. Які функції він виконує в цьому котлі. Мене цікавить, чи є можливість підключити через нього бойлер непрямого нагріву. Я так розумію бойлер підключається подача - Патрубок подачі в контур опалення, зворотка з бойлера - Повернення з бойлера. Вірно?
Дякую!
У котлі Ariston CARES S SYSTEM 24 (одноконтурний) триходовий клапан виконує функцію перемикання потоку теплоносія між контуром опалення та підключеним бойлером непрямого нагріву.
З котла виходить один потік гарячої води. Триходовий клапан розподіляє його:
АБО направляє в опалення (радіатори)
АБО направляє в бойлер
Зворотка з опалення і зворотка з бойлера також йдуть окремими трубами до котла.